锅炉系统的水处理设备选择
在和客户交流锅炉系统时,一般都会把锅炉作为核心部件,而忽略水处理设备,殊不知,水处理设备对换热器和锅炉的选型设计起到极其重要的作用,与燃料或者烟气共同决定这换热面的选型和成本的控制,以及运行安全、运行和维护的成本。

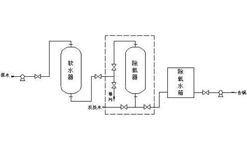
在一般的热水锅炉供暖系统中,锅炉到换热器的供暖一次网采用一般的钠离子交换树脂的软化水装置即可,符合GB/T1576-2018《工业锅炉水质》。
在蒸汽供热系统中,根据不同的压力等级和使用设备,使用不同等级的水处理设备和方案,水质要求符合GB/T1576-2018《工业锅炉水质》。但是一般都要有一级的预处理,过滤水里的颗粒杂质。

1、运行压力在2.5MPa以内的常规工业蒸汽锅炉,采用常规的软化水设备,如果有含铁量高的自来水,预处理采用曝气池+锰砂过滤器。
2、蒸汽发生器因为换热面比较细致,对水垢的耐受能力低于常规锅炉,所以采用带RO反渗透膜的水处理设备。
3、对于有其他行业特殊要求的,根据行业要求确定水质要求。
对于用于火力发电厂汽轮机组的蒸汽锅炉,对水质的要求更高,要求采用GBT12145-2016《火力发电机组及蒸汽动力设备水汽质量》,根据具体要求采用相关除盐水设备。
如果您对余热锅炉感兴趣,请致电400-100-9636,我们将竭诚为您服务!

![]()

专注节能环保20年,转载请注明出处。
产品推荐
同类文章排行
- 工业窑炉烟气余热回收,挖掘隐藏的“能源金矿”
- 干熄焦余热锅炉:赋能绿色焦化,铸就多维价值典范
- 内燃机烟气余热发电:化工业废气为绿色电能
- 余热锅炉在发电机组中的关键角色与多元用途
- 变废为宝:焦化炉烟气余热回收技术解析
- 玻璃窑炉烟气余热利用:亟待挖掘的能源富矿
- 工业硅矿热炉余热锅炉的应用与价值
- 凯能科技余热锅炉:多行业节能升级的核心动力
- 铁合金烟气余热回收利用:绿色转型新引擎
- 工业硅矿热炉余热锅炉:赋能工业硅生产的 “节能利器”













鲁公网安备 37028102000404号