锅炉小常识分享-水管余热锅炉简介
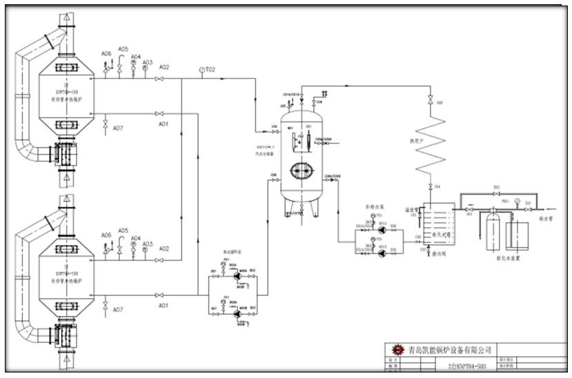
余热锅炉主要是将各种形式的烟气余热转化为热水或者蒸汽来供热或供电,从总体上提高能源利用率。按照介质流动的不同,可以分为水管和火管余热锅炉。其中水管余热锅炉是水在管内流动,烟气在管外流动。根据水循环动力的不同,可分为自然循环和强制循环余热锅炉两种。


自然循环水管余热锅炉必须保证水循环的畅通,确保锅炉安全运行。相对而言,强制循环水管式余热锅炉水循环较为稳定,锅炉效率较高,结构紧凑,但对水质要求高且投资费用大,运行复杂,因此常用于大烟气流量的工程。

自然循环余热系统

强制循环余热系统
为保持余热锅炉效率,余热锅炉需定期清灰,保持烟道严密,防止吸入冷风。

如果您对我们余热锅炉产品感兴趣,请致电400-100-9636,我们将竭诚为您服务!
以上文章来源于青岛凯能环保科技股份有限公司(www.kaineng.cn)
专注节能环保20年,转载请注明出处。
此文关键字:水管余热锅炉
产品推荐
同类文章排行
- 工业窑炉烟气余热回收,挖掘隐藏的“能源金矿”
- 干熄焦余热锅炉:赋能绿色焦化,铸就多维价值典范
- 内燃机烟气余热发电:化工业废气为绿色电能
- 余热锅炉在发电机组中的关键角色与多元用途
- 变废为宝:焦化炉烟气余热回收技术解析
- 玻璃窑炉烟气余热利用:亟待挖掘的能源富矿
- 工业硅矿热炉余热锅炉的应用与价值
- 凯能科技余热锅炉:多行业节能升级的核心动力
- 铁合金烟气余热回收利用:绿色转型新引擎
- 工业硅矿热炉余热锅炉:赋能工业硅生产的 “节能利器”













鲁公网安备 37028102000404号